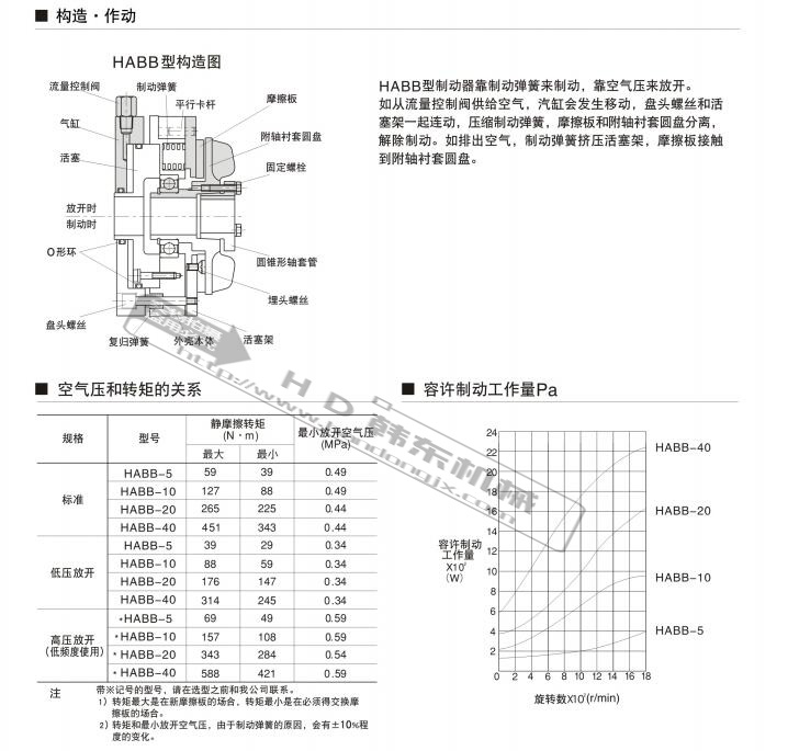
HABB型常闭式气动制动器又称安全制动器,在停止供气时被制动弹簧停止,供气时解放。适合于防止安全事故,及紧急制动。HABB型制动器靠制动弹簧来控制,靠空气压来放开。如从流量控制阀供给空气,气缸会发生移动,盘头螺丝和活塞架一起连动,压缩制动弹簧,摩擦板和附轴衬套圆盘分离,解除制动。如排除空气,制动弹簧挤压活塞架,摩擦板接触到附轴衬套圆盘。

1、靠弹簧来制动;
靠制动弹簧来刹车,靠充入空气来放开。
2、逆作动制动;
在停电或气压低的时候,自动制动。
3、优越的放热性;
圆盘上附有散热片。
4、摩擦板交换贸易;
摩擦板板是双切口对开式,可在保持安装在机械设备上的状态下直接交接摩擦板。
5、简单却结实的构造;




版权所有 © 2008-2013 上海韩东工业离合器制动器
地址:上海市松江区伴亭路488号12F
电话:152-0180-5440 传真: 021-57636570 手机:15201805440 E-mail:songyulu@sh-handong.com